簡介(jie) 英制(zhi)電(dian)連(lian)接器,符合(he)國(guo)軍(jun)標(biao)GJB598A-96 (MIL-C-26482)標(biao)準(zhun),采用(yong)內(nei)卡口鎖緊形式, 插(cha)座密封,有(you)多種安裝(zhuang)方(fang)式,插(cha)頭(tou)有(you)多種出線 形式。 技(ji)術特性 環境性能(neng) 工(gong)作(zuo)溫(wen)度(du):-55℃~+125℃ 相(xiang)對(dui)濕度(du):40℃時(shi)達95% 工(gong)作(zuo)高度(du):海拔(ba)30000m 振動(dong):頻(pin)率(lv)10Hz~2000 Hz加速度(du)196m/s2 沖擊:加速度(du)490m/s2 恒(heng)加速度(du):490m/s2 密封性:耐(nai)壓0.2MPa 防鹽霧,防(fang)潮濕,防黴(mei)菌性能(neng)等符合(he)GJB598A-96標(biao)準(zhun)的要(yao)求(qiu) |
 |
電(dian)氣性能(neng) 接觸(chu)電(dian)阻(zu)及額(e)定(ding)電(dian)流
| 接觸(chu)件規(gui)格(ge)(mm) |
接(jie)觸(chu)電(dian)阻(zu)(mΩ) |
額(e)定(ding)電(dian)流(A) |
| φ0.8 |
≤6 |
3 |
| φ1.0 |
≤5 |
5 |
| φ1.6 |
≤3 |
10 |
| φ2.39 |
≤1.5 |
20 |
| φ3.6 |
≤1 |
50 | 額(e)定(ding)電(dian)壓、耐電(dian)壓及絕緣電(dian)阻(zu)
| 工(gong)作(zuo)環境 |
額(e)定(ding)電(dian)壓V |
耐電(dian)壓V |
絕緣電(dian)阻(zu)MΩ |
| 常(chang)溫常(chang)壓 |
500 |
1500 |
≥3000 |
| 濕熱 |
500 |
550 |
≥20 |
| 高溫(wen) |
500 |
— |
≥500 |
| 低(di)氣壓條(tiao)件(jian)4.39KPa |
300 |
375 |
— | 射頻(pin)抗(kang)幹擾衰(shuai)減值
| 頻(pin)率(lv)MHz |
100 |
150 |
200 |
300 |
400 |
600 |
800 |
1000 |
| 衰(shuai)減dB |
65 |
60 |
60 |
55 |
55 |
50 |
45 |
45 | 外(wai)殼(ke)間(jian)電(dian)連(lian)續(xu)性:非屏(ping)蔽≥200mΩ,屏蔽(bi)≥5mΩ 機(ji)械性能(neng) 殼(ke)體(ti):高強(qiang)度(du)鋁(lv)合(he)金材料(liao),不銹(xiu)鋼 非屏(ping)蔽鍍層(ceng):陽極(ji)氧化(hua)作(zuo)色(se) 屏蔽鍍層(ceng):鍍鋅彩虹(hong)色(se)鈍化(hua)或軍(jun)綠(lv)色(se)鈍化(hua)、化(hua)學(xue)鍍鎳(nie)、噴沙鍍鎳(nie) 絕緣體(ti):耐熱(re)熱(re)塑(su)性材料(liao) 接(jie)觸(chu)件:銅(tong)合(he)金材料(liao) 表(biao)面(mian)鍍金 機(ji)械壽命(ming):500次(ci) 標記、代(dai)號及意義
 表(biao)
| 符(fu)號 |
X |
Q |
P |
N |
H |
A |
| 代(dai)表(biao)意義 |
焊(han)接膠(jiao)封(feng) |
壓(ya)接屏蔽(bi)膠封(feng) |
焊(han)接屏(ping)蔽(bi)膠(jiao)封 |
壓接(jie)膠封(feng) |
玻璃燒(shao)結密封 |
印(yin)制(zhi)板(ban)焊(han)接膠(jiao)封(feng) | 絕(jue)緣板(ban)安裝(zhuang)位置



 表(biao)1
|
殼(ke)體(ti)號 |
6 |
8 |
10 |
12 |
14 |
16 |
18 |
20 |
22 |
24 |
|
接觸(chu)件數(shu) |
2 |
3 |
4 |
7 |
3 |
3A |
33 |
6 |
10 |
5 |
12 |
15 |
18 |
19 |
8 |
26 |
32 |
39 |
41 |
55 |
61 |
|
N |
- |
- |
- |
- |
|
W |
- |
- |
- |
- |
60 |
90 |
60 |
40 |
43 |
17 |
15 |
30 |
54 |
60 |
85 |
63 |
45 |
30 |
96 |
|
X |
- |
- |
- |
- |
210 |
155 |
92 |
90 |
110 |
90 |
165 |
152 |
- |
138 |
144 |
126 |
142 |
180 |
|
Y |
- |
- |
- |
- |
- |
27 |
184 |
- |
155 |
180 |
315 |
180 |
275 |
222 |
252 |
225 |
226 |
270 |
|
Z |
- |
- |
- |
- |
- |
295 |
273 |
- |
234 |
270 |
- |
331 |
338 |
265 |
333 |
- |
314 |
324 |
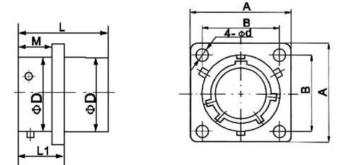
插(cha)座外(wai)形及安(an)裝尺寸(cun) 插(cha)座外(wai)形尺寸(cun)(螺(luo)母(mu)並緊式)

|
殼(ke)體(ti)號 |
G |
d |
B |
D |
S |
A |
L |
d1 |
H |
N(min) |
N(max) |
|
|
06 |
1.57 |
3.17 |
10.60 |
2.5 |
20 |
17 |
17 |
20 |
12.5 |
11.4 |
|
08 |
12.04 |
3.0 |
27.25 |
19.3 |
23.8 |
21 |
14.6 |
13.28 |
|
10 |
15.00 |
30.5 |
22.4 |
26.95 |
21 |
17.75 |
16.95 |
|
12 |
19.00 |
34.5 |
27 |
32 |
22 |
22.5 |
20.9 |
|
14 |
22.20 |
39 |
30.33 |
35 |
21.5 |
25.7 |
24 |
|
16 |
25.41 |
41.25 |
33.3 |
38.24 |
21 |
28.85 |
27.35 |
|
18 |
28.60 |
44.6 |
36.7 |
41.5 |
21 |
32.05 |
30 |
|
20 |
6.35 |
31.71 |
3.6 |
49 |
39.8 |
46 |
26.5 |
35.02 |
33.5 |
|
22 |
35.00 |
52.24 |
43.13 |
49.24 |
28.4 |
36.94 |
|
24 |
38.20 |
55.8 |
46 |
52.5 |
41.55 |
40.5 | 插(cha)座外(wai)形尺寸(cun)(方(fang)法(fa)蘭式(shi))

 穿(chuan)墻座外(wai)形尺寸(cun)

 圓(yuan)形帶(dai)電(dian)纜罩式(shi)插(cha)座外(wai)形及安(an)裝尺寸(cun)

 方(fang)形帶(dai)電(dian)纜罩式(shi)插(cha)座外(wai)形及安(an)裝尺寸(cun)

 插(cha)頭(tou)外形尺寸(cun)接(jie)地壓(ya)緊式電(dian)纜尾部(bu)附(fu)件(jian)

 夾線板(ban)式尾(wei)部(bu)附(fu)件(jian)

 防波(bo)抗拉(la)式(shi)尾部(bu)附(fu)件(jian)

 彎(wan)頭護線式尾部(bu)附(fu)件(jian)

 彈(dan)簧護線式尾部(bu)附(fu)件(jian)

 Y50EX系列接點(dian)排列(裝針絕(jue)緣(yuan)體(ti)插(cha)合(he)面(mian)視圖)
| 號 數 |
8 |
12 |
16 |
20 |
22 |
| 插(cha)針直(zhi)徑(jing) |
3.6 |
2.4 |
1.6 |
1 |
0.9 |  型號對(dui)照(zhao)表(biao)
|
序號 |
分(fen)類(lei)特(te)征(zheng) |
標誌(zhi)代(dai)號 |
分(fen)類(lei)內(nei)容(rong) |
|
1 |
主稱代(dai)號 |
YL |
Y |
圓形電(dian)連(lian)接器 |
|
2 |
插(cha)頭(tou)、插(cha)座類(lei)型 |
10/20 |
ZJ(K)10 |
方(fang)形法(fa)蘭安(an)裝(zhuang)插(cha)座 |
|
14/24 |
ZJ(K)14 |
螺(luo)母(mu)安(an)裝(zhuang)插(cha)座 |
|
16/26 |
TJ(K) |
插(cha)頭(tou) |
|
18/28 |
無(wu) |
普通(tong)插(cha)頭(tou) |
|
19/29 |
ZS10 |
穿(chuan)墻法(fa)蘭安(an)裝(zhuang)插(cha)座 |
|
3 |
殼(ke)體(ti)表(biao)面(mian)處理(li)方(fang)式 |
R |
X |
黑(hei)色(se)陽極(ji)化(hua) |
|
W |
X |
軍(jun)綠(lv)色(se)陽極(ji)化(hua) |
|
N |
P |
化(hua)學(xue)鍍暗(an)鎳(nie) |
|
Nb |
P |
化(hua)學(xue)鍍光(guang)亮鎳(nie) |
|
B |
P |
電(dian)鍍鎘(ge) |
|
H |
P |
電(dian)鍍黑(hei)鎘 |
|
S |
無(wu) |
不銹(xiu)鋼鈍化(hua) |
|
Y |
無(wu) |
灰色(se)陽極(ji)化(hua) |
|
4 |
接觸(chu)件類(lei)型 |
J |
J |
插(cha)針 |
|
K |
K |
插(cha)孔 |
|
5 |
尾部(bu)附(fu)件(jian)代(dai)號 |
01/21 02/22/32
03/23
04/24 05/25 |
6 2 4 5 1 3 |
直(zhi)式電(dian)纜密封式(shi) 直(zhi)式夾(jia)線板(ban)式 橡(xiang)膠尾(wei)罩密封式(shi) 彎(wan)式電(dian)纜密封式(shi) 彎(wan)式電(dian)纜夾線板(ban)式 接(jie)地壓(ya)緊式 簡封(feng)式(shi) |
|
6 |
絕(jue)緣板(ban)安裝(zhuang)位置 |
W、X、Y、Z |
W、X、Y、Z |
主鍵(jian)與輔(fu)鍵(jian)相對(dui)位(wei)置 | 更(geng)多(duo)詳情請咨詢(xun):http://pohjk.cn/ |